Introduction
The Numato Lab FMCADCX001 ADC Expansion Module features two Analog Devices AD9250 ICs with each IC being a dual, 14-bit ADC with a sampling rate of up to 250 MSPS, thus providing a total of 4 analog input channels. The AD9250 is designed to support communications applications where low cost, small size, wide bandwidth, and versatility are desired. This module is designed to be used with Numato Lab’s FPGA boards featuring FMC connectors, and can additionally be used with any FPGA board supporting the ANSI/VITA 57.1 FMC connector.
Applications
- Digital Instrumentation
- Product prototyping
- Low-Cost Digital Oscilloscopes
- Data acquisition
- Electronic test and measurement equipment
Board Features
- ANSI/VITA 57.1 compliant FMC connector for mating with compatible FPGA carrier cards
- 4 Analog Inputs: 1.4 Vp-p to 2.0 Vp-p (1.75 Vp-p nominal)
- AD9250 SNR = 70.6 dBFS @ 185 MHz AIN and 250 MSPS
- 14-bit resolution, 250 MSPS maximum sampling rate
- Energy saving power-down modes
- Total power consumption per AD9250: 711 mW at 250 MSPS
- AD7291: 12-bit SAR ADC with an internal temperature sensor for power rails’ voltage monitoring
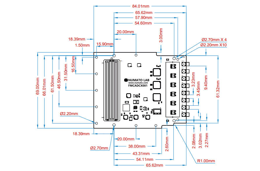
- Dimension: 84.01mm x 69.00mm
How to use the module
The following section describes how to use this module.
Compatible FPGA Boards
Along with the module, you may use any of the boards below, or any ANSI/VITA 57.1 Standard Compliant FMC FPGA boards can be used.
Connection Diagram
Here,
A3 – A0 –> Analog Inputs
TR –> External Trigger
C1 –> Clock Input
R1 –> External Reference
C0 –> Clock Output
This diagram should be used as a reference only. For detailed information, see the schematics at the end of this document. Details of individual connectors are as below.
Connection Details
Header P1
| SL.No | Signal Details | FMC Pin Location | Trace Length(mm) |
|---|---|---|---|
| 1 | SERDOUTD_P | A2 | 74.04 |
| 2 | SERDOUTD_N | A3 | 74.05 |
| 3 | SERDOUTC_P | A6 | 74.04 |
| 4 | SERDOUTC_N | A7 | 74.05 |
| 5 | SERDOUTB_P | A10 | 74.04 |
| 6 | SERDOUTB_N | A11 | 74.06 |
| 7 | SERDOUTA_P | C6 | 74.02 |
| 8 | SERDOUTA_N | C7 | 74.03 |
| 9 | CLK_N_PD | C10 | 76.79 |
| 10 | CLK_N_SYNC | C11 | 73.73 |
| 11 | CLK_N_RESET | C14 | 60.44 |
| 12 | CLK_REFMON | C15 | 62.84 |
| 13 | CLK_LD | C18 | 60.72 |
| 14 | CLK_STATUS | C19 | 63.54 |
| 15 | REF_EN | C22 | 56.74 |
| 16 | VM_PD | C23 | 33.21 |
| 17 | I2C_SCL | C30 | 34.2 |
| 18 | I2C_SDA | C31 | 34.6 |
| 19 | GA0 | C34 | 42.95 |
| 20 | GA1 | D35 | 46.13 |
| 21 | PG_C2M | D1 | 69.27 |
| 22 | GBTCLK0_M2C_P | D4 | 74.05 |
| 23 | GBTCLK0_M2C_N | D5 | 74.04 |
| 24 | VM_ALERT | D9 | 30.04 |
| 25 | PS _PG | D11 | 96.5 |
| 26 | PS_EN | D12 | 163.3 |
| 27 | CLK_N_CS | D17 | 60.46 |
| 28 | SCLK_3V3 | D20 | 60.29 |
| 29 | SDIO_3V3 | D23 | 72.01 |
| 30 | EEPROM_WP | D26 | 27.81 |
| 31 | EXT_TRIGGER_P | G2 | 74.05 |
| 32 | EXT_TRIGGER_N | G3 | 74.05 |
| 33 | BUF_ADC0_N_RST | G6 | 59.6 |
| 34 | BUF_ADC0_N_CS | G7 | 59.6 |
| 35 | BUF_ADC0_PD | G9 | 59.6 |
| 36 | BUF_ADC0_FDA | G10 | 59.6 |
| 37 | BUF_ADC0_FDB | G12 | 59.6 |
| 38 | BUF_SCLK | G13 | 59.6 |
| 39 | BUF_SDIO | G15 | 59.6 |
| 40 | BUF_ADC1_N_RST | G16 | 59.6 |
| 41 | BUF_ADC1_N_CS | G18 | 59.6 |
| 42 | BUF_ADC1_PD | G19 | 59.6 |
| 43 | BUF_ADC1_FDA | G21 | 59.6 |
| 44 | BUF_ADC1_FDB | G22 | 59.6 |
| 45 | SYNCIN_L | G24 | 76.9 |
| 46 | SYSREF | G25 | 67.7 |
| 47 | CLK_TO_FPGA_P | H4 | 73.9 |
| 48 | CLK_TO_FPGA_N | H5 | 73.9 |
Technical Specifications
| Parameter* | Value | Unit |
|---|---|---|
| Basic Specifications | ||
| On-board Oscillator Frequency (AST3TQ-T-30.720MHZ-28) | 30.72 (x1) | MHz |
| Analog Input Range | 1.4 Vp-p to 2.0 Vp-p (1.75 Vp-p nominal) | V |
| Analog Input Lower Cutoff Frequency | 3 | MHz |
* All parameters considered nominal. Numato Systems Pvt Ltd reserves the right to modify products without notice.


